<style draggable="hUD8ngL"><noframes date-time="xJANzcA">___MINIFY_PROTECTED_0___

(草莓影视免费观看) 瑟维斯泵阀制造(浙江)有限公司官网

瑟维斯泵阀制造(浙江)有限公司官网

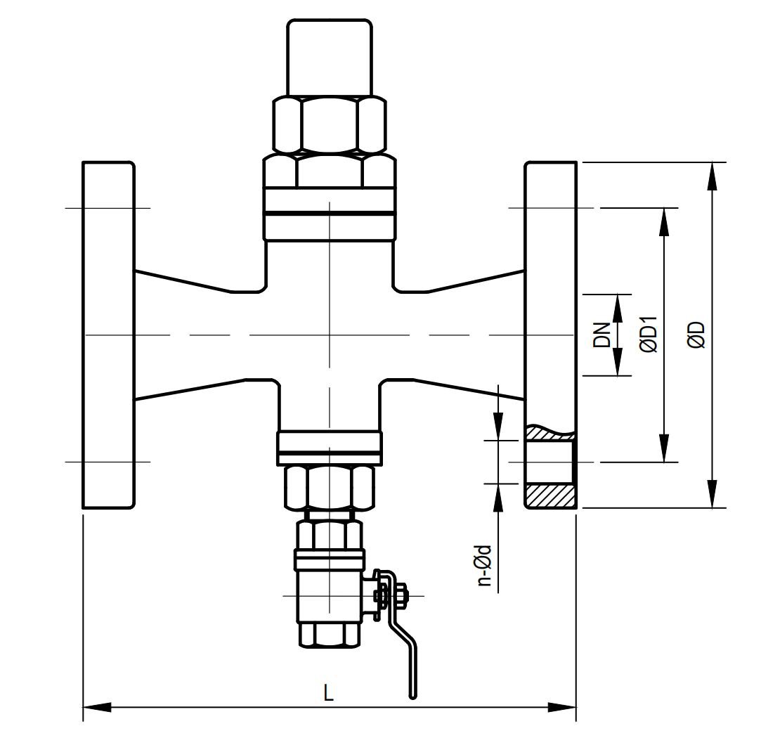
铜疏水阀

关注次数:2976次

商品类型:疏水阀

上架时间:2024-07-02 09:54:48

产品描述:品名:铜疏水阀设计标准:JB/T9093 工作温度: -10~200℃适用介质:水、蒸汽操作方式:

咨询电话:4001-588-933

温度感知,‌自动调节,‌节能,‌高效排水,‌长寿命 草莓影视,‌而其用途则主要体现在提高生产效率,‌节约能源,‌延长设备寿命,‌自动化控制,‌安全性的提升以及在工业自动化中的关键作用,‌。

 

上一篇:没有了!
下一篇:没有了!