瑟维斯泵阀制造(浙江)有限公司官网

瑟维斯泵阀制造(浙江)有限公司官网

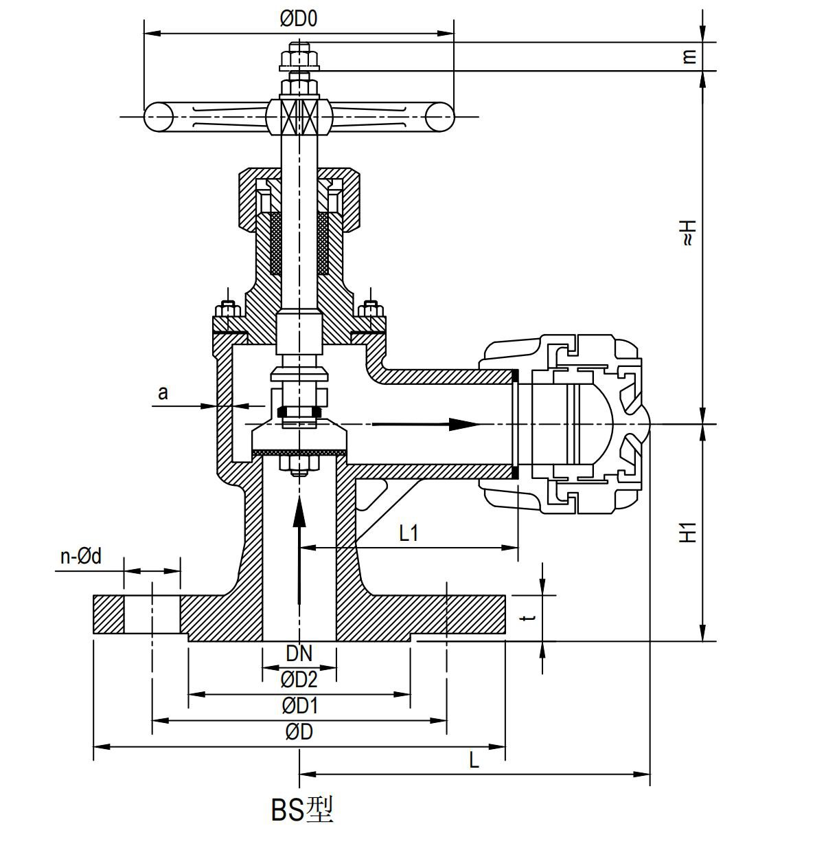
国标青铜角式消防栓

关注次数:1589次

商品类型:消防栓

上架时间:2024-07-02 09:43:59

产品描述:品名:国标青铜角式消防栓2032BS设计标准:GB/T 2032 工作温度: -10~50℃适用介质:淡水、海水操作方式:手动

咨询电话:4001-588-933

消防栓,全铜消防栓用于控制消防供水,与水带,水枪等联接后组成室内消防灭火系统 草莓影视,它除了具备常见的普通室内消火栓的全部功能外,同时具备了出水口随意旋转和减压稳压的功能,自由旋转给安装带来了方便,通过了减压稳压,使栓后的压力维持稳定,保证了使用的安全,可靠,可以使消防系统设计,计算简化,系统简洁。


上一篇:没有了!
下一篇:国标青铜直通消防栓