瑟维斯泵阀制造(浙江)有限公司官网

瑟维斯泵阀制造(浙江)有限公司官网

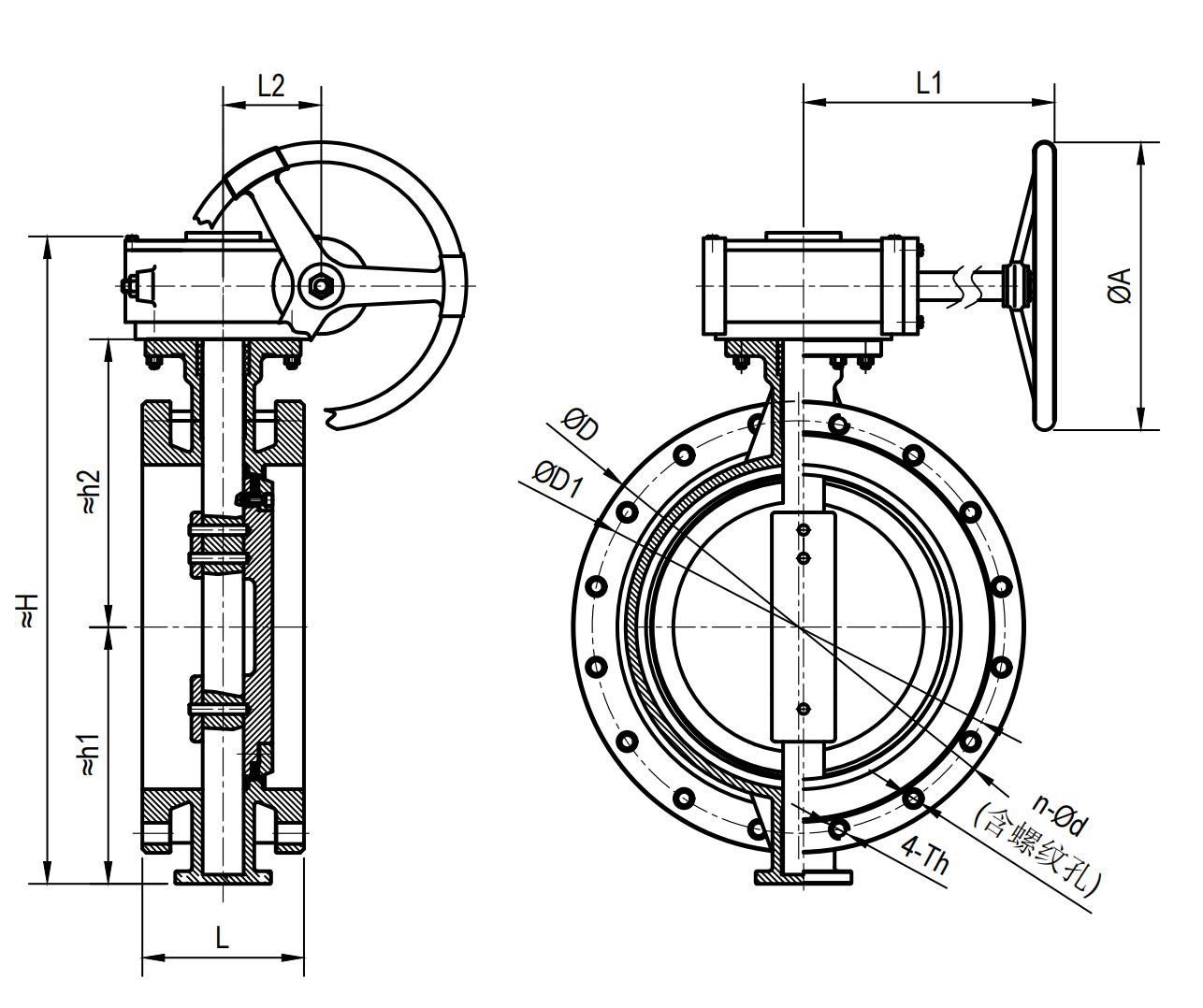
法兰偏心蜗轮蝶阀

关注次数:2780次

商品类型:蝶阀

上架时间:2024-07-01 10:41:40

产品描述:品名:法兰偏心蜗轮蝶阀 D342F 设计标准:GB/T3037  工作温度:-10~180℃ 适用介质:石油、石油相关制品、天然气等 操作方式:手动

咨询电话:4001-588-933

该阀门可用于控制空气,水,各种腐蚀性介质 草莓影视,泥浆,油品,液态金属和放射性介质等各种类型流体的流动,在管道上主要起切断和节流作用,蝶阀启闭件是一个圆盘形的蝶板,在阀体内绕其自身的轴线旋转,从而达到启闭或调节的目的。