<style draggable="iFSU4rD"><noframes date-time="5EuMI">___MINIFY_PROTECTED_0___

瑟维斯泵阀制造(浙江)有限公司官网 "草莓影视"

瑟维斯泵阀制造(浙江)有限公司官网

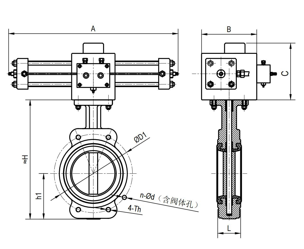
半凸耳液压蝶阀

"草莓影视" 关注次数:2181次

商品类型:蝶阀

上架时间:2024-07-01 10:42:59

产品描述:品名:半凸耳液压蝶阀 D771X 设计标准:GB/T3036 工作温度:-10~90℃ 适用介质:淡水、海水、油品等 操作方式:液动

咨询电话:4001-588-933

液控蝶阀的工作原理是基于液压原理的,液压原理是利用液体传递压力和能量的一种技术,在液控蝶阀中,液体被用作传递力和动力的介质,当控制信号输入液控装置时,液体在液控阀中产生相应的压力 草莓影视,通过阀杆的运动将力传递到阀盘上,使阀盘与阀座相分离,从而实现阀门的开启。