瑟维斯泵阀制造(浙江)有限公司官网

瑟维斯泵阀制造(浙江)有限公司官网

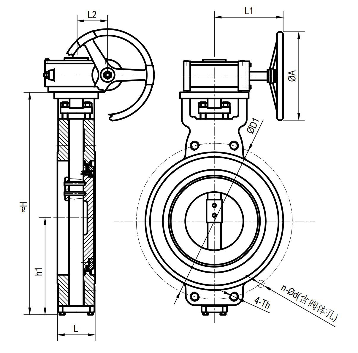
高性能偏心对夹蝶阀

"草莓影院" 关注次数:3010次

商品类型:蝶阀

上架时间:2024-07-01 11:09:44

产品描述:品名:高性能偏心对夹蝶阀D372F 设计标准:GB/T3037  工作温度:-10~180℃ 适用介质:海水、淡水、原油、重油、润滑油、成品油等 操作方式:手动

咨询电话:4001-588-933

高性能蝶阀具有优良的密封性和控制性能 草莓影视,因此广泛应用于工业,建筑,水处理等领域,具体来说,它可以用于流体的截流,调节和控制,适用于液体,气体,蒸汽等介质。

在具体使用过程中,应根据实际需要选择适合的阀门材质和密封形式,以保证阀门与管道之间的紧密连接,防止外漏等问题的出现 草莓影视在线

高性能蝶阀具有较好的密封性和控制性能 草莓影视高清,广泛应用于工业和建筑领域,在实际工作中,应根据实际情况选择适当的阀门型号和材质,以确保阀门的长期稳定性能。


上一篇:法兰涡轮蝶阀
下一篇:全眼手柄蝶阀